
SDM-2020 Satellite Demodulator Revision 4
G.703 Data Interface MN/SDM2020D.IOM
11–3
• 44.736 (per ITU-T G.703)
• 51.840 (per SONET STS-1)
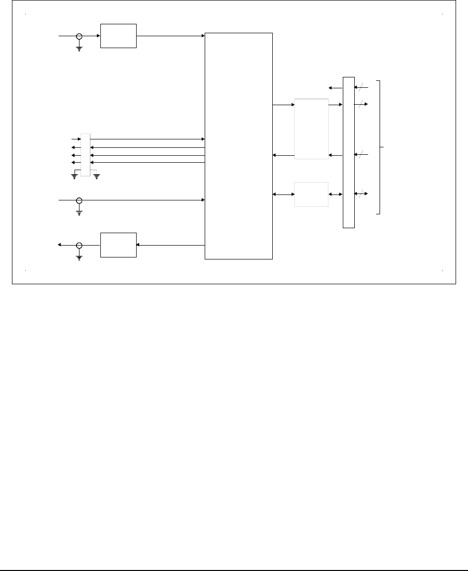
Refer to
Figure 11-1 for G.703 block diagram and for assembled view.
J5
RS
MF
RR (CD)
AUXILIARY
DF
SD IN
G.703
75
Ω
J3
G.703
RECOVERY
CLK AND DATA
PROCESSING
AND
CONTROL
EXT CLK
75
Ω
J6
RD OUT
G.703
75
Ω
J4
G.703
DRIVER
CLK AND DATA
DC
POWER
MODULATOR/
DEMODULATOR
INTERFACE
M&C
LOOPBACK
Figure 11-1. G.703 Block Diagram
Komentarze do niniejszej Instrukcji